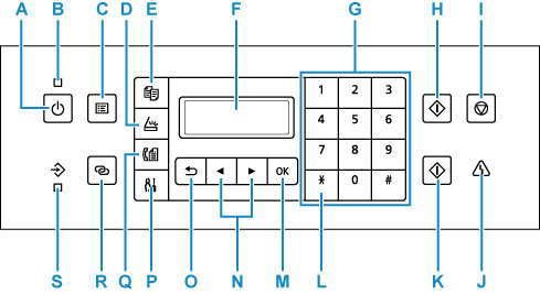
Bedieningspaneel

- A: Knop AAN (ON)
-
Hiermee kunt u het apparaat aan- of uitzetten. De documentklep moet gesloten zijn als het apparaat wordt aangezet.
- B: AAN (ON)-lampje
- Dit lampje knippert en brandt vervolgens wanneer het apparaat wordt aangezet.
- C: Knop MENU
- Geeft het venster Menu Kopie (Copy menu), Menu Scannen (Scan menu) of Menu FAX (Fax menu) weer.
- D: Knop SCANNEN (SCAN)
- Hiermee wordt de printer naar de scanmodus geschakeld.
- E: Knop KOPIËREN (COPY)
- Hiermee wordt de printer naar de kopieermodus geschakeld.
- F: LCD (Liquid Crystal Display)
- Hierop worden berichten, menu-items en de werkingsstatus weergegeven.
- G: Numerieke toetsen
- Deze toetsen worden gebruikt om numerieke waarden in te voeren, zoals het aantal kopieën, fax- of telefoonnummers en tekens.
- H: Knop Zwart (Black)
- Hiermee start u kopiëren, scannen of faxen in zwart-wit.
- I: Knop Stoppen (Stop)
- Hiermee annuleert u actieve afdruk-, kopieer- of scantaken of het verzenden/ontvangen van een fax.
- J: Alarm-lampje
- Wanneer er een fout optreedt, knippert of brandt dit lampje.
- K: Knop Kleur (Color)
- Hiermee start u kopiëren in kleur, scannen, faxen, enzovoort.
- L: Knop Toon (Tone)
- Hiermee wordt de telefoon tijdelijk omgeschakeld naar toonkiezen als de printer is aangesloten op een lijn voor pulskiezen.
- M: Knop OK
- Hiermee voltooit u de selectie van een menu- of instellingsitem. Deze knop wordt ook gebruikt om een fout op te lossen of documenten in de ADF (automatische documentinvoer) uit te voeren.
- N: Knoppen
en 
-
Wordt gebruikt om een instellingsitem te selecteren. Deze knoppen worden ook gebruikt om tekens in te voeren.
- O: Knop Terug (Back)
- Hiermee keert u terug naar het vorige scherm op het LCD-scherm.
- P: Knop Instellingen (Setup)
- Geeft het venster Instellingenmenu (Setup menu) weer. Met dit menu kunt u onderhoud aan de printer uitvoeren en printerinstellingen wijzigen. Wordt ook gebruikt om de invoermodus te selecteren.
- Q: Knop FAX
- Hiermee wordt de printer naar de faxmodus geschakeld.
- R: Knop Draadloos verbinden (Wireless connect)
- Houd deze knop ingedrukt om informatie over de draadloze router van de printer rechtstreeks in te stellen vanaf een smartphone of soortgelijk apparaat (zonder een procedure te hoeven uitvoeren op de router).
- S: Faxgeheugen (FAX Memory)-lampje
- Brandt wanneer er ontvangen of niet-verzonden documenten zijn opgeslagen in het printergeheugen.

